
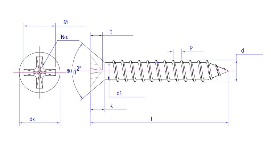
| (inch) | #0 | #1 | #2 | #3 | #4 | #5 | #6 | #7 | #8 | #9 | #10 | #12 | #14 | #16 | #18 | #20 | #24 |
|---|---|---|---|---|---|---|---|---|---|---|---|---|---|---|---|---|---|
| P | 32 | 28 | 26 | 24 | 22 | 20 | 18 | 16 | 15 | 14 | 13 | 11 | 10 | 9 | 8 | 8 | 7 |
| dk max | 0.119 | 0.146 | 0.172 | 0.199 | 0.225 | 0.252 | 0.279 | 0.305 | 0.332 | 0.358 | 0.385 | 0.438 | 0.507 | 0.544 | 0.635 | 0.65 | 0.762 |
| dk min | 0.099 | 0.123 | 0.147 | 0.171 | 0.195 | 0.22 | 0.244 | 0.268 | 0.292 | 0.316 | 0.34 | 0.389 | 0.452 | 0.485 | 0.568 | 0.582 | 0.685 |
| k | 0.035 | 0.043 | 0.051 | 0.059 | 0.067 | 0.075 | 0.083 | 0.091 | 0.1 | 0.108 | 0.116 | 0.132 | 0.153 | 0.164 | 0.191 | 0.196 | 0.23 |
| M max | 0.069 | 0.077 | 0.102 | 0.107 | 0.128 | 0.154 | 0.174 | 0.189 | 0.204 | 0.214 | 0.258 | 0.283 | 0.283 | 0.303 | 0.365 | 0.378 | 0.393 |
| M min | 0.056 | 0.064 | 0.089 | 0.094 | 0.115 | 0.141 | 0.161 | 0.176 | 0.191 | 0.201 | 0.245 | 0.27 | 0.27 | 0.29 | 0.352 | 0.365 | 0.38 |
| t max | 0.043 | 0.051 | 0.063 | 0.068 | 0.089 | 0.086 | 0.106 | 0.121 | 0.136 | 0.146 | 0.146 | 0.171 | 0.171 | 0.191 | 0.216 | 0.23 | 0.245 |
| t min | 0.027 | 0.035 | 0.047 | 0.052 | 0.073 | 0.063 | 0.083 | 0.098 | 0.113 | 0.123 | 0.123 | 0.148 | 0.148 | 0.168 | 0.194 | 0.208 | 0.223 |
| No. | 0 | 0 | 0 | 1 | 1 | 2 | 2 | 2 | 3 | 3 | 4 | 4 | 4 | 4 | 4 | 4 | 4 |
| d max | 0.064 | 0.077 | 0.09 | 0.103 | 0.116 | 0.129 | 0.142 | 0.155 | 0.168 | 0.181 | 0.194 | 0.22 | 0.246 | 0.272 | 0.298 | 0.324 | 0.376 |
| d min | 0.053 | 0.066 | 0.079 | 0.092 | 0.105 | 0.118 | 0.131 | 0.144 | 0.157 | 0.17 | 0.183 | 0.209 | 0.235 | 0.261 | 0.287 | 0.313 | 0.365 |
| d1 max | 0.055 | 0.066 | 0.075 | 0.086 | 0.095 | 0.107 | 0.118 | 0.127 | 0.136 | 0.147 | 0.157 | 0.176 | 0.201 | 0.214 | 0.237 | 0.26 | 0.303 |
| d1 min | 0.044 | 0.055 | 0.064 | 0.075 | 0.084 | 0.096 | 0.107 | 0.116 | 0.125 | 0.136 | 0.146 | 0.165 | 0.19 | 0.203 | 0.226 | 0.249 | 0.292 |
Introducing our Yellow Zinc Phillips Head Wood Fixing Screws, designed for reliable and secure wood attachment. Perfect for distributors seeking quality wood fixing solutions with detailed specifications for easy product selection and inventory planning.
Key Features:
- Bright yellow zinc plating for corrosion resistance and durability
- Phillips head design for easy driving and secure fastening
- Designed specifically for wood fixing applications
- Available in various sizes to accommodate different project needs
- Robust construction ensuring strong hold and long-lasting performance
Specifications:
- Diameter options ranging from #0 to #24 (measured in inches)
- Length options from 1 inch up to 20 inches
- Thread dimensions vary according to size, with detailed max and min values for diameter and length components
- Quantity per package varies typically with 0 to 4 screws depending on size
- Precise measurements for dk max/min, k, M max/min, t max/min, d max/min, d1 max/min are provided for each size option, ensuring accurate selection
- Sizes include #0, #1, #2, #3, #4, #5, #6, #7, #8, #9, #10, #12, #14, #16, #18, #20, #24
Our Yellow Zinc Phillips Head Wood Fixing Screws combine corrosion resistance with reliable performance, making them an ideal choice for wood fixing applications. Distributors can depend on the precise specifications and versatile sizes to meet various project requirements efficiently.








