
| (inch) | #10 | 1/4 | 5/16 | 3/8 | 7/16 | 1/2 | 5/8 | 3/4 | 7/8 | 1 |
|---|---|---|---|---|---|---|---|---|---|---|
| P |
24|32
|
20|28|32
|
18|24|32
|
16|24|32
|
14|20|28
|
13|20|28
|
11|18|24
|
10|16|20
|
9|14|20
|
8|12|20
|
| ds max | 0.199 | 0.26 | 0.324 | 0.388 | 0.452 | 0.515 | 0.642 | 0.768 | 0.895 | 1.022 |
| ds min | 0.159 | 0.213 | 0.272 | 0.329 | 0.385 | 0.444 | 0.559 | 0.678 | 0.795 | 0.91 |
| dk max | 0.469 | 0.594 | 0.719 | 0.844 | 0.969 | 1.094 | 1.344 | 1.594 | 1.844 | 2.094 |
| dk min | 0.436 | 0.563 | 0.688 | 0.782 | 0.907 | 1.032 | 1.219 | 1.469 | 1.719 | 1.969 |
| k max | 0.114 | 0.145 | 0.176 | 0.208 | 0.239 | 0.27 | 0.344 | 0.406 | 0.459 | 0.531 |
| k min | 0.094 | 0.125 | 0.156 | 0.188 | 0.219 | 0.25 | 0.281 | 0.344 | 0.406 | 0.438 |
| s max | 0.199 | 0.26 | 0.324 | 0.388 | 0.452 | 0.515 | 0.642 | 0.768 | 0.895 | 1.022 |
| s min | 0.185 | 0.245 | 0.307 | 0.368 | 0.431 | 0.492 | 0.616 | 0.741 | 0.865 | 0.99 |
| k1 max | 0.125 | 0.156 | 0.187 | 0.219 | 0.25 | 0.281 | 0.344 | 0.406 | 0.469 | 0.531 |
| k1 min | 0.094 | 0.125 | 0.156 | 0.188 | 0.25 | 0.313 | 0.375 | 0.438 | 0.5 | 0.5 |
| r max | 0.031 | 0.031 | 0.031 | 0.031 | 0.031 | 0.031 | 0.062 | 0.062 | 0.062 | 0.062 |
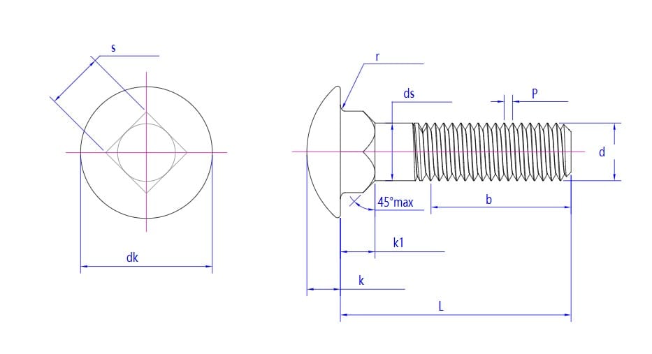
The Square Neck Bolt with a round head is a versatile fastening component ideal for various industrial applications. Designed with precision, it ensures secure and reliable connections.
Key Features:
- Square neck design for enhanced torque transmission and secure fitting
- Rounded head for smooth surface finish and easy installation
- Suitable for use with square nuts or embedded into materials to prevent rotation
- Available in multiple sizes to meet diverse project requirements
Specifications:
- Sizes range from #10 (1/4 inch) to 1 inch diameter
- Thread pitches include 24, 28, 32, and other standard measurements
- Max and min dimensions provided for d_s, d_k, k, s, k1, and r parameters to ensure precise fit and compatibility
- Material and finish details are not specified in the provided data; confirm as needed
The Round Head Square Neck Bolt offers robust performance with its specialized design, making it an excellent choice for distributors seeking reliable fastening solutions across various industrial and construction projects.












